Stainless Steel Spherical Bearing
Our stainless steel spherical bearings are designed for use in harsh industrial conditions, offering durable solutions for angular misalignment and smooth motion control. With over 20 years of experience in stainless steel component manufacturing, we combine advanced CNC machining capabilities, strict quality management, and streamlined production processes to meet the diverse needs of global customers.
Stainless Steel Spherical Bearing Manufacturer in China
Stainless steel spherical bearings, also known as spherical plain bearings, are designed to accommodate angular misalignment in mechanical linkages.They are widely used in industries such as food processing, marine equipment, automation, aerospace, and heavy machinery due to their corrosion resistance and self-aligning capabilities.
Whether you are an equipment manufacturer, system integrator, or industrial procurement expert, we can provide customized solutions based on your drawings, specifications, tolerances, and material preferences. From prototype design to mass production, we ensure consistent quality, reliable performance, and responsive support every step of the way.
Popular Types of Stainless Steel Spherical Bearings
Exploring Core Features of PROFAB SS Spherical Bearings
360° Multi-directional self-adjustment
Automatically compensates for axial and angular misalignment, ensuring smooth operation without sticking and stress concentration.
High load carrying capacity
Designed to withstand heavy radial and axial forces, suitable for highly dynamic scenarios such as robotics, aerospace and industrial machinery.
Excellent Corrosion and Wear Resistance
Precision machined from 304/316 stainless steel, it resists salt spray, chemical corrosion and abrasion for longer service life.
Flexible lubrication
Optional self-lubricating PTFE lining or lubrication programme with greasing device to meet different maintenance cycle requirements.


Superior PROFAB Machining - For High-Quality SS Spherical Bearings
Machining centres utilise the latest CNC technology to turn and mill stainless steel spherical bearing housings and inner rings with exceptional precision. The second stage is strengthening the material by quenching or ageing heat treatment. The third stage is passivation, which is achieved through pickling to create a dense protective layer.
For the assembly step, self-lubricating PTFE linings or grease lubrication systems with dust-proof seals are fitted to different models. Dimensional and concentricity checks are done in batches on a CMM, and corrosion resistance is tested with an ASTM B117 salt spray test.
Profab spherical bearings are kept with quality and reliability in mind, thus calibrated to specific torque values.
Why Choose SS Spherical Bearings from PROFAB Machine ?
Profab Machine provides stainless steel spherical bearings that are engineered for performance, precision, and durability. We serve industrial equipment manufacturers, automotive engineers, and sourcing agents worldwide. With robust material control, in-house machining, and responsive engineering support, we help your business meet high-load and high-corrosion resistance needs with confidence.

Direct-from-Manufacturer Advantage
We are the original manufacturer—no middlemen. Our pricing is transparent and competitive, helping you lower procurement costs while maintaining product quality.
Precision Tolerance and Wear Resistance
Each bearing is manufactured with tight tolerances and treated for superior wear resistance—ideal for dynamic or oscillating movements under load.
Corrosion Resistance in Harsh Environments
Our stainless steel spherical bearings are ideal for marine, food processing, and chemical machinery applications requiring long-term corrosion resistance.

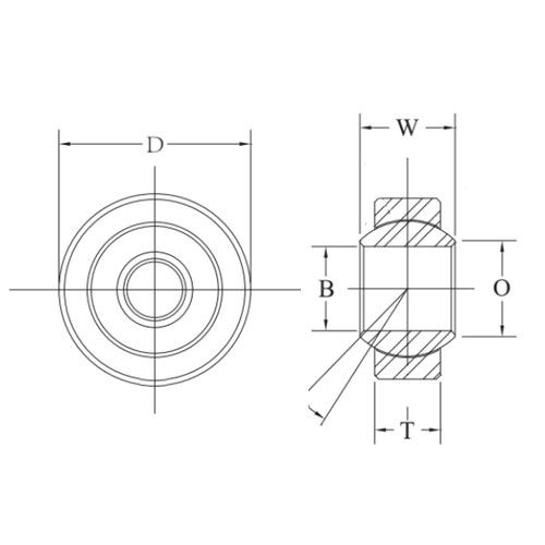
B DIA. (mm) | D DIA. (mm) | B DIA. (Inch) | D DIA. (Inch) |
---|---|---|---|
3 | 12 | 0.1650 | 0.4687 |
4 | 12 | 0.1900 | 0.5625 |
5 | 14/16 | 0.2500 | 0.6562 |
6 | 14/18 | 0.3125 | 0.7500 |
8 | 16/22 | 0.3750 | 0.8125 |
10 | 19/26 | 0.4375 | 0.9062 |
12 | 22/30 | 0.5000 | 1.0000 |
14 | 34 | 0.5625 | 1.0937 |
15 | 26 | 0.6250 | 1.1875 |
16 | 38 | 0.7500 | 1.4375 |
17 | 30 | 0.8750 | 1.5625 |
18 | 42 | 1.0000 | 1.7500 |
20 | 35/46 | 1.0000 | 2.0000 |
22 | 50 | 1.1875 | 2.3750 |
25 | 42/56 | 1.2500 | 2.3750 |
30 | 47/66 | 1.5000 | 2.7500 |
Custom | Custom | 1.7500 | 3.1250 |
2.0000 | 3.5000 | ||
Custom | Custom |













Custom Your Stainless Steel Spherical Bearing Now!
How do stainless steel spherical bearings handle misalignment?
Their design allows for both angular rotation and slight shaft misalignments, reducing stress on machinery and extending service life.
Are these bearings suitable for food or medical applications?
Yes. With 304 or 316 stainless steel, they meet hygienic and corrosion-resistant requirements often needed in food processing and medical equipment.