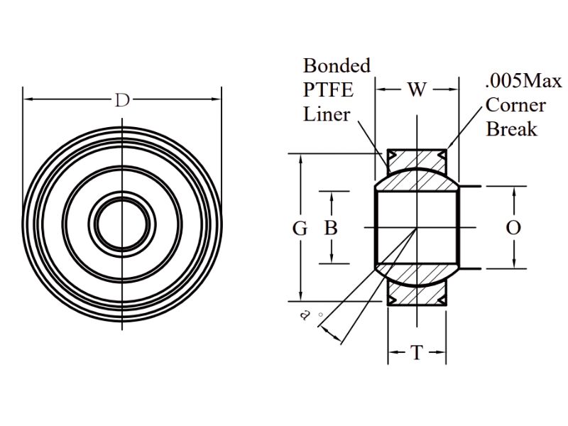
WPB Series Stainless Steel Spherical Bearing

- Ball
52100 Bearing Steel, Precision Ground
Heat Treated, Hard Chrome Plated
Stainless Steel Optional - Race
Alloy Steel, Heat Treated, Teflon Lined
Oil Coated
Staking Groove (WPB-TG)
Stainless Steel Optional, Zinc Plated Optional

All Dimensions In Inch
WIDE SERIES PART NO. | B DIA. +.0000 -.0005 | D DIA. +.0000 -.0005 | W WIDTH +.000 -.002 | T WIDTH +.005 -.005 | O FLAT DIA. REF. | M CHAMFER REF. | BALL DIA. REF | a° MIS. ANGLE REF. | STATIC RADIAL LOAD (LBS) | APPROX WEIGHT (LBS) |
WPB4T | 0.25 | 0.625 | 0.437 | 0.327 | 0.3 | 0.022 | 0.531 | 15 | 5,500 | 0 |
WPB5T | 0.3125 | 0.6875 | 0.437 | 0.317 | 0.36 | 0.032 | 0.593 | 14 | 9,400 | 0 |
WPB6T | 0.375 | 0.8125 | 0.5 | 0.406 | 0.466 | 0.032 | 0.687 | 8 | 13,700 | 0 |
WPB7T | 0.4375 | 0.9375 | 0.562 | 0.442 | 0.537 | 0.032 | 0.781 | 10 | 20,700 | 0 |
WPB8T | 0.5 | 1 | 0.625 | 0.505 | 0.607 | 0.032 | 0.875 | 9 | 21,400 | 0 |
WPB9T | 0.5625 | 1.125 | 0.687 | 0.536 | 0.721 | 0.032 | 1 | 10 | 26,600 | 0 |
WPB10T | 0.625 | 1.1875 | 0.75 | 0.567 | 0.752 | 0.032 | 1.062 | 12 | 29,000 | 0 |
WPB12T | 0.75 | 1.375 | 0.875 | 0.63 | 0.845 | 0.044 | 1.25 | 13 | 37,000 | 0 |
WPB14T | 0.875 | 1.625 | 0.875 | 0.755 | 0.995 | 0.044 | 1.375 | 6 | 65,200 | 0 |
WPB16T | 1 | 2.125 | 1.375 | 1.005 | 1.269 | 0.044 | 1.875 | 12 | 104,000 | 1 |
STAKING GROOVE PART NO. | B DIA. +.0000 -.0005 | D DIA. +.0000 -.0005 | W WIDTH +.000 -.002 | T WIDTH +.005 -.005 | O FLAT DIA. REF. | P +.000 -.015 | R +.002 -.005 | S MIN. | G +0.000 -0.01 | BALL DIA. REF | a° MIS. ANGLE REF. | STATIC RADIAL LOAD (LBS) | APPROX WEIGHT (LBS) |
WPB4TG | 0.25 | 0.625 | 0.437 | 0.327 | 0.3 | 0.03 | 0.01 | 0.01 | 1 | 1 | 15 | 5,500 | 0.031 |
WPB5TG | 0.3125 | 0.6875 | 0.437 | 0.317 | 0.36 | 0.03 | 0.01 | 0.01 | 1 | 1 | 14 | 9,400 | 0.035 |
WPB6TG | 0.375 | 0.8125 | 0.5 | 0.406 | 0.466 | 0.04 | 0.015 | 0.02 | 1 | 1 | 8 | 13,700 | 0.06 |
WPB7TG | 0.4375 | 0.9375 | 0.562 | 0.442 | 0.537 | 0.04 | 0.015 | 0.02 | 1 | 1 | 10 | 20,700 | 0.08 |