XM/XF Serious Stainless Steel Rod End

Structure
- Ball
52100 Bearing Steel
Precision Ground
Heat Treated
Hard Chrome Plated - Race
Injection
Molded
Reinforced
Nylon With Ptfe - Body
4130 Chromoly Steel
Heat Treated
Hard Chrome Plated
Application
High load applications
- Control arms
- Thrust bars
- Trailing arms and drawbars

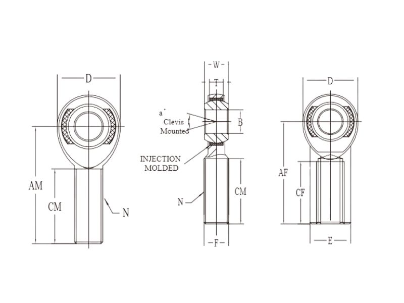
MALE ROD END RIGHT LEFT HAND HAND PART NO. PART NO. | B DIA. +.0025 -.0005 | D DIA. +.010 -.010 | W WIDTH +.005 -.005 | T WIDTH +.005 -.005 | BALL DIA. REF. | AM LENGTH +.015 -.015 | N THREAD UNF 3A | CM LENGTH +.062 -.031 | a° MIS. ANGLE REF. | STATIC RADIAL LOAD (LBS) | APPROX WEIGHT (LBS) | |
XMR3 | XML3 | 0.19 | 0.625 | 0.312 | 0.25 | 0.437 | 1.25 | 10-32 | 0.75 | 13 | 2,851 | 0.03 |
XMR3-4 | XML3-4 | 0.19 | 0.75 | 0.312 | 0.25 | 0.437 | 1.562 | 1/4-28 | 1 | 10 | 5,260 | 0.04 |
XMR4 | XML4 | 0.25 | 0.75 | 0.375 | 0.281 | 0.5 | 1.562 | 1/4-28 | 1 | 16 | 5,260 | 0.04 |
XMR4-5 | XML4-5 | 0.25 | 0.875 | 0.375 | 0.281 | 0.5 | 1.875 | 5/16-24 | 1.25 | 13 | 8,452 | 0.07 |
XMR5 | XML5 | 0.3125 | 0.875 | 0.437 | 0.344 | 0.625 | 1.875 | 5/16-24 | 1.25 | 14 | 7,639 | 0.07 |
XMR5-6 | XML5-6 | 0.3125 | 1 | 0.437 | 0.344 | 0.625 | 1.938 | 3/8-24 | 1.25 | 12 | 12,978 | 0.11 |
XMR6 | XML6 | 0.375 | 1 | 0.5 | 0.406 | 0.719 | 1.938 | 3/8-24 | 1.25 | 12 | 9,544 | 0.11 |
XMR6-7 | XML6-7 | 0.375 | 1.125 | 0.5 | 0.406 | 0.719 | 2.125 | 7/16-20 | 1.375 | 10 | 17,508 | 0.15 |
XMR7 | XML7 | 0.4375 | 1.125 | 0.562 | 0.437 | 0.812 | 2.125 | 7/16-20 | 1.375 | 14 | 10,285 | 0.15 |
XMR7-8 | XML7-8 | 0.4375 | 1.312 | 0.562 | 0.437 | 0.812 | 2.438 | 1/2-20 | 1.5 | 12 | 23,452 | 0.24 |
XMR8 | XML8 | 0.5 | 1.312 | 0.625 | 0.5 | 0.937 | 2.438 | 1/2-20 | 1.5 | 12 | 16,238 | 0.24 |
XMR8-10 | XML8-10 | 0.5 | 1.5 | 0.625 | 0.5 | 0.937 | 2.625 | 5/8-18 | 1.625 | 10 | 31,390 | 0.36 |
XMR8-12 | XML8-12 | 0.5 | 1.75 | 0.75 | 0.562 | 1.125 | 2.875 | 3/4-16 | 1.75 | 16 | 40,572 | 0.42 |
XMR10 | XML10 | 0.625 | 1.5 | 0.75 | 0.562 | 1.125 | 2.625 | 5/8-18 | 1.625 | 16 | 17,955 | 0.36 |
XMR12MM-10 | XML12MM-10 | 12MM | 1.5 | 0.75 | 0.562 | 1.125 | 2.625 | 5/8-18 | 1.625 | 16 | 31,390 | 0.36 |
XMR10-12 | XML10-12 | 0.625 | 1.75 | 0.75 | 0.562 | 1.125 | 2.875 | 3/4-16 | 1.75 | 13 | 40,572 | 0.57 |
XMR12 | XML12 | 0.75 | 1.75 | 0.875 | 0.687 | 1.312 | 2.875 | 3/4-16 | 1.75 | 14 | 28,081 | 0.57 |
XMR12-14 | XML12-14 | 0.75 | 2 | 0.875 | 0.687 | 1.312 | 3.375 | 7/8-14 | 1.875 | 12 | 55,692 | 0.88 |
XMR14 | XML14 | 0.875 | 2 | 0.875 | 0.765 | 1.375 | 3.375 | 7/8-14 | 2 | 7 | 45,051 | 0.88 |
XMR16 | XML16 | 1 | 2.75 | 1.375 | 1 | 1.875 | 4.125 | 1 1/4-12 | 2.125 | 17 | 76,200 | 2.41 |
XMR16-1 | XML16-1 | 1 | 2.75 | 1.375 | 1 | 1.875 | 4.125 | 1-14 | 2.125 | 17 | 76,200 | 2.13 |
XMR16-2 | XML16-2 | 1 | 2.75 | 1.375 | 1 | 1.875 | 4.125 | 1-12 | 2.125 | 17 | 76,200 | 2.13 |
XMR20 | XML20 | 1.25 | 2.75 | 1.375 | 1 | 1.795 | 4.125 | 1 1/4-12 | 2.125 | 34 | 79,728 | 2.3 |
XMR20-24 | XML20-24 | 1.25 | 2.75 | 1.093 | 0.937 | 1.795 | 4.125 | 1 1/2-12 | 2.25 | 14 | 126,450 | 2.63 |
XMR24 | XML24 | 1.5 | 2.75 | 1.093 | 0.937 | 2.155 | 4.125 | 1 1/2-12 | 2.25 | 14 | 126,450 | 2.63 |
XMR24-28 | XML24-28 | 1.5 | 3.5 | 1.312 | 1.125 | 2.155 | 5.375 | 1 3/4-12 | 3 | 13 | 138,465 | 6.06 |
XMR28 | XML28 | 1.75 | 3.5 | 1.312 | 1.125 | – | 5.375 | 1 3/4-12 | 3 | 13 | 138,465 | 6.06 |
FEMALE ROD END | B | D | W | T | BALL | AF | N | CF | a° | STATIC | LBS | |
XFR3 | XFL3 | 0.19 | 0.625 | 0.312 | 0.25 | 0.437 | 1.062 | 10-32 | 0.562 | 13 | 3,733 | 0.04 |
XFR4 | XFL4 | 0.25 | 0.75 | 0.375 | 0.281 | 0.5 | 1.312 | 1/4-28 | 0.75 | 16 | 6,190 | 0.06 |
XFR5 | XFL5 | 0.3125 | 0.875 | 0.437 | 0.344 | 0.625 | 1.375 | 5/16-24 | 0.75 | 14 | 7,639 | 0.09 |
XFR6 | XFL6 | 0.375 | 1 | 0.5 | 0.406 | 0.719 | 1.625 | 3/8-24 | 0.937 | 12 | 9,544 | 0.14 |
XFR7 | XFL7 | 0.4375 | 1.125 | 0.562 | 0.437 | 0.812 | 1.812 | 7/16-20 | 1.062 | 14 | 10,285 | 0.19 |
XFR8 | XFL8 | 0.5 | 1.312 | 0.625 | 0.5 | 0.937 | 2.125 | 1/2-20 | 1.187 | 12 | 15,336 | 0.31 |
XFR10 | XFL10 | 0.625 | 1.5 | 0.75 | 0.562 | 1.125 | 2.5 | 5/8-18 | 1.5 | 16 | 17,955 | 0.45 |
XFR12 | XFL12 | 0.75 | 1.75 | 0.875 | 0.687 | 1.312 | 2.875 | 3/4-16 | 1.75 | 14 | 28,081 | 0.69 |
XFR14 | XFL14 | 0.875 | 2 | 0.875 | 0.765 | 1.375 | 3.375 | 7/8-14 | 1.875 | 7 | 45,051 | 0.93 |
XFR16 | XFL16 | 1 | 2.75 | 1.375 | 1 | 1.875 | 4.125 | 1 1/4-12 | 2.125 | 17 | 76,200 | 2.58 |
XFR16-1 | XFL16-1 | 1 | 2.75 | 1.375 | 1 | 1.875 | 4.125 | 1-14 | 2.125 | 17 | 76,200 | 2.58 |
XFR16-2 | XFL16-2 | 1 | 2.75 | 1.375 | 1 | 1.875 | 4.125 | 1-12 | 2.125 | 17 | 76,200 | 2.58 |